SnabbDF

Gamla Lunet

Universitetets nätverk i Lund, Lunet, har i samband med de senaste årens explosion av nätverksanvändning börjat knaka i fogarna. Efterhand som allt fler använder nätet uppstår fler möjliga fel, fler komponenter kan gå sönder osv. Eftersom nättjänsterna samtidigt blir allt viktigare stod det för några år sedan klart att en ny filosofi var nödvändig.

Det gamla Lunet är byggt på en central router, lunet1-gw, som har ett antal armar som håller isär de olika delarna av nätet. Varje arm är normalt en fiberoptisk ring. På varje arm sitter en mängd hus anslutna med bryggor. Problemen som uppstår är vanligen antingen att ett fel i ett hus kan få effekter utanför bryggan, t.ex. när någon ställer in att en dator har samma ip-nummer som lunet1-gw. En brygga stoppar inte sådana fel, som då drabbar hela router-armen. Ibland kan en fiberkabel också skadas.

Lösningen med en central router är också dyr, eftersom en ensam router som orkar med all trafik i Lund kostar väldigt mycket. Kostnaderna blir helt orimliga med den trafikmängd man antar kommer att vara vanlig om några år.

SnabbLunet

Ett antal olika möjliga lösningar presenteras av Jan Engvald på http://www.ldc.lu.se/~xjeldc/kommdag96-highspeed.html. Lösningen som LDC lägger sista handen vid i dagarna är SnabbLunet-8.

I korthet delas den gamla lunet1-gw upp i 6 st mindre maskiner, Cisco Catalyst 5000, som pratar sinsemellan med höghastighets fiberförbindelser. Det är alltså en distribuerad ryggrad i det nya nätet. Maskinerna som egentligen är switchar är försedda med en s k RSM-modul som förvandlar dem till riktiga routrar. Den tidigare planen att använda en hybrid mellan routrar och switchar fick överges, cisco lade den nödvändiga programmvaran på hyllan.

Varje institution ansluter sig till två av den distribuerade ryggradens noder. På så sätt klarar man av att t.ex. en nod dör eller att en fiber slits av. Tack vare att alla sitter på en egen routerarm kan en institution inte störa en annan, felen isoleras. Tack vare att de billigare RSM-modulerna används går man också över från 10Mbit till 100Mbit.

SnabbDF

Nu kommer vi till den intressanta biten!

DF vill givetvis kunna dra nytta av alla de här fördelarna eftersom vi är helt beroende av nätet för de flesta av våra tjänster. Vi har därför satt ihop en plan för hur vi ska implementera SnabbDF. Vi har två mål:

Införandet av SnabbDF är uppdelat i två faser p.g.a. brist på fiber mellan Kårhuset och V-huset. LDC planerar att dra ner en ny fiber under början av 1998, och då kopplar vi om till fas 2.

Fas 1 (innan det finns mer fiber)
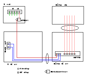
Vi har överlämningspunkten för SnabbLunet i källaren på V-huset. Fibrerna med SnabbLunet ansluts där till en HP800T eller motsvarande. Switchen har förutom tre fiberportar 5 st 10/100 autosensing TP-portar. På en av dessa sätter vi vår nuvarande 10Mbit mediakonverterare (en hub med en fibertransceiver) vars fiberport kopplas till ledningen till V-vinden. Då är alltså V-vinden ansluten med 10Mbit precis som nu. På en annan fiberport sätter vi fibern till kårhuset.

Kårhuset har då 100Mbit full-duplex i en fiber. I Kårhusets källare sätter vi en omvandlare 100Mbit fiber <-> TP. TP-uttaget ansluts till vår nuvarande D-link switch (1 100Mbit TP + 4 10Mbit TP) på 100Mbit-porten. 10Mbit-portarna kopplas in på TP-sladdar som går upp till våra lokaler.

12 st TP-sladdar i ett knippe börjar i en patchpanel i källaren och går sedan upp till våra lokaler, 6 st till vare rum. De slutar i 3 st dubbel-uttag i vardera rum.

Länk till schematisk bild
Färger i bilderna:
Blå = SnabbLunet
Röd = 100Mbit
Grön = 10Mbit
Ljusa = TP
Mörka = Fiber

Fas 2 - Mer fiber mellan V-huset och Kårhuset
LDC:s två SnabbLunet-fiberpar kopplas nu ihop med den nya fibern från V-husets källare till Kårhuset och landar i kårhuskällaren. Där kopplas den in direkt på HP-switchens fiberuttag (switchen kommer alltså att stå i kårhuskällaren). På switchens sista fiberport kopplas ett fiberpar som går tillbaka i fiberkabel till V-huskällaren. Övriga switchportar kopplas in i samma patchpanel som i fas 1, varifrån det går TP-kablar som leder upp till våra lokaler.

I V-huskällaren kommer det nu ett fiberpar med 100Mbit full-duplex från vår switch i kårhuset. Den patchas in på vår fiber till vinden. Uppe på vinden går fibern in i en mediakonverterare och ansluts sedan till vår D-link switch. Ut får vi då 4 st switchade 10Mbit på V-vinden.

Länk till schematisk bild

Finansiering
Kalaset är inte gratis, tyvärr. Kostnaden för utrustning och anslutning lär hamna någonstans kring 70 000 kronor. Detta täcks dels genom medel ur systembudgeten (som utökades med tanke på detta), dels genom sponsring, och dels genom av årsmötet beviljat uttag från fonden för detta ändamål (om max 30 000 kr).

Vad har hänt?

Vad händer?

Vad återstår?
Fas 1 Fas 2
D-link 10-100Mbit Switch yes yes
HP800T 100Mbit Switch yes yes
Fibermoduler till HP800T yes yes
Mediakonverterare, 10Mbit yes
Mediakonverterare, 100Mbit yes yes
Kablar kårhuskällare-lokal yes yes
Fiber V-kårhus yes
Fiber V källare-vind yes yes
Fiberpatchkablar yes yes
Snabblunet i Vhuset yes
Snabblunet i Kårhuset yes
I drift yes yes


Peter Svensson, petersv@df.lth.se, Datorföreningen vid LU & LTH, 980713